首页
业界新闻
新品速递
方案分享
技术讨论
产品集锦
开发视频
您现在的位置:
首页
>
直流/交流电动机控制系统
> Brushless DC Motor
Brushless DC Motor
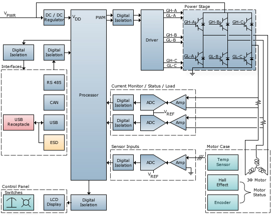
直流电动机将直流电能转换为机械能的转动装置,包括有刷直流电动机和无刷直流电动机.有刷直流电机的换向需要电刷来改变通入线圈的电流的正负.无刷直流电机没有电刷,它的换向是要靠一个控制器来改变直流电的波形,这个控制器叫逆变器.无刷直流电机既保持了传统直流电机良好的调速性能又具有无滑动接触和换向火花,可靠性高,使用寿命长及噪声低等优点。