首页
业界新闻
新品速递
方案分享
技术讨论
产品集锦
开发视频
您现在的位置:
首页
>
直流/交流电动机控制系统
>设计框图
适用于卡车和农用车辆的有刷直流电机控制
适用于卡车和农用车辆的单向直流电机控制
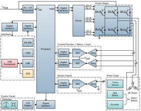
无刷直流电机
有刷直流电机
交流伺服电机系统
Brushless DC Motor
上一页
1
2
3
4
下一页